ASME B18.2.1 Hex Flange Screws

Scope

ASME B18.2.1 Hex Flange Screws dimension standard covers the dimensional requirements for product types of bolts and screws recognized as American National Standard. Also included are appendices covering gaging procedures, grade markings for bolts and screws, formulas on which dimensional data are based, and a specification to assist in identifying a product as being a screw or a bolt. Where questions arise concerning acceptance of product, the dimensions in the tables shall govern over recalculation by formula. Heavy hex structural bolts, formerly covered in ASME B18.2.1, are now covered in ASME B18.2.6, The Tables measurements are also converted into millimeters to make the information clearer and easier to to understand.

ASME B18.2.1 Hex Flange Screws

ASME B18.2.1 Hex Flange Screws Dimensions (mm)

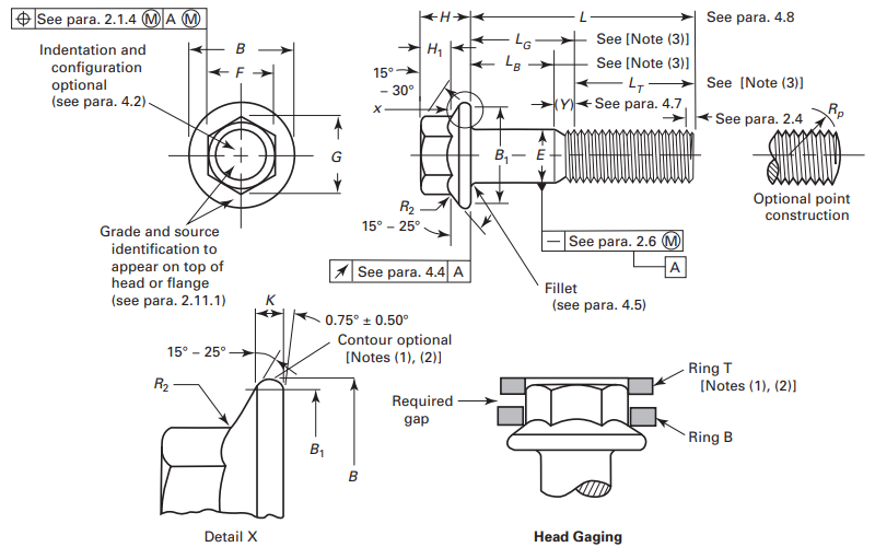
Nominal Size (Ref Inch) Body Diam., E Width Across Flats, F Width Across Corners, G Maximum Flange Diam., B Minimum Flange Thickness, K Maximum Head Height, H Minimum Hex Height, H1 Maximum Flange Top Radius, R2 Minimum Bearing Diam., B1 Maximum Runout of Bearing Surface FIM Basic Thread Length, LT Maximum Transition Thread Length, Y Ring T Ring B
Max. Min. Basic (Ref) Max. Min. Max. Min. For Screws With L ≤ 152.4mm For Screws With L > 152.4mm For Screws With L ≤ 152.4mm For Screws With L > 152.4mm Inside Diameter Inside Diameter Thickness
1/4 0.2500 6.350 6.223 9.525 9.525 9.322 10.998 10.389 14.224 1.016 7.112 4.318 0.381 12.192 0.254 19.050 25.400 10.160 16.510 10.396 11.125 3.012
5/16 0.3125 7.938 7.785 12.700 12.700 12.421 14.656 13.919 17.272 1.270 8.128 5.334 0.483 15.240 0.279 22.225 28.575 10.592 16.942 13.927 14.783 3.701
3/8 0.3750 9.525 9.373 14.288 14.288 13.995 16.510 15.697 20.574 1.524 9.906 6.350 0.559 18.542 0.305 25.400 31.750 11.125 17.475 15.705 16.637 4.392
7/16 0.4375 11.113 10.935 15.875 15.875 15.545 18.339 17.399 23.622 1.778 11.684 7.620 0.660 21.590 0.330 28.575 34.925 11.786 18.136 17.407 18.542 5.334
1/2 0.5000 12.700 12.522 19.050 19.050 18.694 21.996 20.955 27.178 2.032 12.954 8.636 0.762 24.892 0.356 31.750 38.100 12.217 18.567 20.963 22.225 6.022
9/16 0.5625 14.288 14.084 20.638 20.638 20.269 23.825 22.733 30.226 2.286 14.478 9.652 0.864 27.940 0.381 34.925 41.275 19.050 19.050 22.741 24.130 6.713
5/8 0.6250 15.875 15.672 23.813 23.813 23.419 27.508 26.264 33.782 2.540 15.748 10.668 0.965 31.242 0.432 38.100 44.450 19.634 19.634 26.271 27.813 7.402
3/4 0.7500 19.050 18.821 28.575 28.575 27.940 32.995 31.344 40.386 2.794 18.542 12.954 1.143 37.338 0.508 44.450 50.800 20.320 20.320 31.351 33.325 9.035

ASME B18.2.1 Hex Flange Screws Length Tolerance (mm)

Nominal Length Nominal Size (inches)
1/4 to 3/8 7/16 and 1/2 9/16 to 3/4 7/8 and 1 1 1/8 to 1 1/2 Over 1 1/2
Up to 25.4 mm, incl. +0.000
0.762
+0.000
0.762
+0.000
0.762
... ... ...
Over 25.4 mm to 63.5 mm, incl. +0.000
1.016
+0.000
1.524
+0.000
2.032
+0.000
2.540
+0.000
3.048
+0.000
4.572
Over 63.5 mm to 101.6 mm, incl. +0.000
1.524
+0.000
2.032
+0.000
2.540
+0.000
3.556
+0.000
4.064
+0.000
5.080
Over 101.6 mm to 152.4 mm, incl. +0.000
2.540
+0.000
2.540
+0.000
2.540
+0.000
4.064
+0.000
4.572
+0.000
5.588
Longer than 152.4 mm +0.000
4.572
+0.000
4.572
+0.000
4.572
+0.000
5.080
+0.000
5.588
+0.000
6.096

ASME B18.2.1 Hex Flange Screws Dimensions (Inch)

Nominal Size or Basic Major Diameter of Thread Body Diam., E Width Across Flats, F Width Across Corners, G Maximum Flange Diam., B Minimum Flange Thickness, K Maximum Head Height, H Minimum Hex Height, H1 Maximum Flange Top Radius, R2 Minimum Bearing Diam., B1 Maximum Runout of Bearing Surface FIM Basic Thread Length, LT Maximum Transition Thread Length, Y Ring T Ring B
Max. Min. Basic Max. Min. Max. Min. For Screws With L ≤ 6 in. For Screws With L > 6 in. For Screws With L ≤ 6 in. For Screws With L > 6 in. Inside Diameter +0.0000 0.0003 Inside Diameter +0.0000 0.0003 Thickness +0.0000 0.0003
1/4 0.2500 0.2500 0.2450 3/8 0.3750 0.367 0.433 0.409 0.56 0.04 0.28 0.17 0.015 0.480 0.010 0.750 1.000 0.400 0.650 0.4093 0.4380 0.1186
5/16 0.3125 0.3125 0.3065 1/2 0.5000 0.489 0.577 0.548 0.68 0.05 0.32 0.21 0.019 0.600 0.011 0.875 1.125 0.417 0.667 0.5483 0.5820 0.1457
3/8 0.3750 0.3750 0.3690 9/16 0.5625 0.551 0.650 0.618 0.81 0.06 0.39 0.25 0.022 0.730 0.012 1.000 1.250 0.438 0.688 0.6183 0.6550 0.1729
7/16 0.4375 0.4375 0.4305 5/8 0.6250 0.612 0.722 0.685 0.93 0.07 0.46 0.30 0.026 0.850 0.013 1.125 1.375 0.464 0.714 0.6853 0.7300 0.2100
1/2 0.5000 0.5000 0.4930 3/4 0.7500 0.736 0.866 0.825 1.07 0.08 0.51 0.34 0.030 0.980 0.014 1.250 1.500 0.481 0.731 0.8253 0.8750 0.2371
9/16 0.5625 0.5625 0.5545 13/16 0.8125 0.798 0.938 0.895 1.19 0.09 0.57 0.38 0.034 1.100 0.015 1.375 1.625 0.750 0.750 0.8953 0.9500 0.2643
5/8 0.6250 0.6250 0.6170 15/16 0.9375 0.922 1.083 1.034 1.33 0.10 0.62 0.42 0.038 1.230 0.017 1.500 1.750 0.773 0.773 1.0343 1.0950 0.2914
3/4 0.7500 0.7500 0.7410 1 1/8 1.1250 1.100 1.299 1.234 1.59 0.11 0.73 0.51 0.045 1.470 0.020 1.750 2.000 0.800 0.800 1.2343 1.3120 0.3557

ASME B18.2.1 Hex Flange Screws Length Length Tolerance (Inch)

Nominal Length Nominal Size
1/4 to 3/8 7/16 and 1/2 9/16 to 3/4 7/8 and 1 1 1/8 to 1 1/2 Over 1 1/2
Up to 1 in., incl. +0.00
0.03
+0.00
0.03
+0.00
0.03
... ... ...
Over 1 in. to 2 1/2 in., incl. +0.00
0.04
+0.00
0.06
+0.00
0.08
+0.00
0.10
+0.00
0.12
+0.00
0.18
Over 2 1/2 in. to 4 in., incl. +0.00
0.06
+0.00
0.08
+0.00
0.10
+0.00
0.14
+0.00
0.16
+0.00
0.20
Over 4 in. to 6 in., incl. +0.00
0.10
+0.00
0.10
+0.00
0.10
+0.00
0.16
+0.00
0.18
+0.00
0.22
Longer than 6 in. +0.00
0.18
+0.00
0.18
+0.00
0.18
+0.00
0.20
+0.00
0.22
+0.00
0.24

ASME Material Specifications

ASTM A193/A193M Standard Specification for Alloy-Steel and Stainless Steel Bolting Materials for High Temperature or High Pressure Service and Other Special Purpose Applications
ASTM A307 Standard Specification for Carbon Steel Bolts and Studs, 60 000 PSI Tensile Strength
ASTM A449 Standard Specification for Hex Cap Screws, Bolts and Studs, Steel, Heat Treated, 120/105/90 ksi Minimum Tensile Strength
ASTM A453/A453M Standard Specification for Bolting, Stud Bolts, Screws, Nuts
ASTM A354 Standard Specification for Quenched and Tempered Alloy Steel Bolts, Studs, and Other Externally Threaded Fasteners
ASTM A320 Standard Specification for Alloy-Steel and Stainless Steel Bolting for Low-Temperature Service
ASTM A1082/A1082M Standard Specification for Bolting, Stud Bolts, Screws, Nuts
ASTM A1014/A1014M Standard Specification for UNS N07718 Bolting, Stud Bolts, Screws, Nuts
ASTM F468 Standard Specification for Nonferrous Bolts, Hex Cap Screws, and Studs
ASTM F593 Standard Specification for Stainless Steel Bolts, Hex Cap Screws, and Studs
ASTM F901 Aluminium Transmission Tower Bolts
ASTM F738 Stud Bolts, Screws
ASTM F1554 Anchor Bolts, Anchor Rods
ASTM F2281 Bolting, Stud Bolts, Screws, Hex Cap Screws, Threaded Rods
ASTM F3125 Heavy Hex Bolts, Screws, Studs