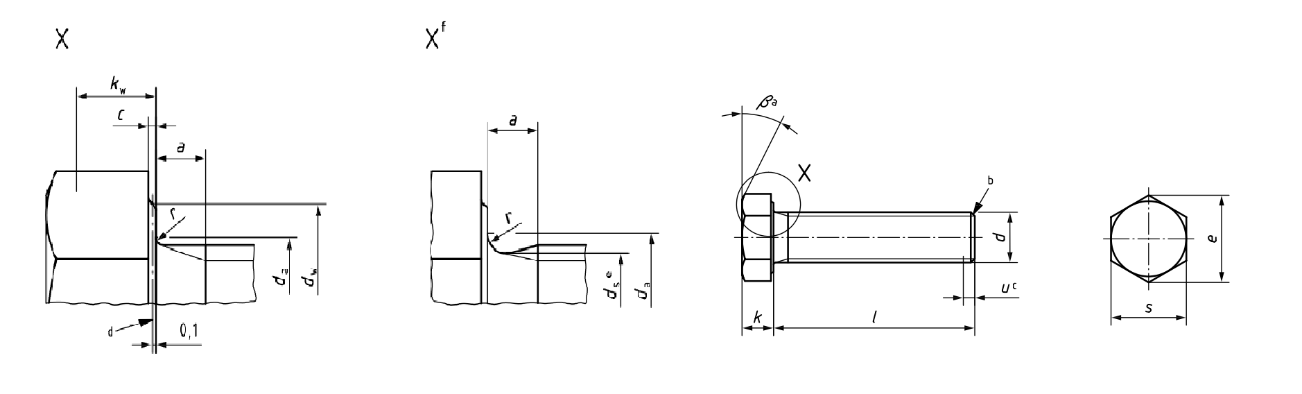
| Thread, d | Pa | b ref. | c | da max. |
ds | dw | e | lf max. |
k | kwe | r min. |
s | ||||||||||||||
|---|---|---|---|---|---|---|---|---|---|---|---|---|---|---|---|---|---|---|---|---|---|---|---|---|---|---|
| b | c | d | max. | min. | nom. = max. |
Product grade | Product grade | Product grade | nom. | Product grade | Product grade | nom. = max. |
Product grade | |||||||||||||
| A min. |
B min. |
A min. |
B min. |
A min. |
B min. |
A max. |
A min. |
B max. |
B min. |
A min. |
B min. |
A min. |
B min. |
|||||||||||||
| M1,6 | 0,35 | 9 | 15 | 28 | 0,25 | 0,10 | 2 | 1,60 | 1,46 | 1,35 | 2,27 | 2,30 | 3,41 | 3,28 | 0,6 | 1,1 | 1,225 | 975 | 1,3 | 0,9 | 0,68 | 0,63 | 0,1 | 3,20 | 3,02 | 2,90 |
| M2 | 0,4 | 10 | 16 | 29 | 0,25 | 0,10 | 2,6 | 2,00 | 1,86 | 1,75 | 3,07 | 2,95 | 4,32 | 4,18 | 0,8 | 1,4 | 1,525 | 1,275 | 1,6 | 1,2 | 0,89 | 0,84 | 0,1 | 4,00 | 3,82 | 3,70 |
| M2,5 | 0,45 | 11 | 17 | 30 | 0,25 | 0,10 | 3,1 | 2,50 | 2,36 | 2,25 | 4,07 | 3,95 | 5,45 | 5,31 | 1 | 1,7 | 1,825 | 1,575 | 1,9 | 1,5 | 1,10 | 1,05 | 0,1 | 5,00 | 4,82 | 4,70 |
| M3 | 0,5 | 12 | 18 | 31 | 0,40 | 0,15 | 3,6 | 3,00 | 2,86 | 2,75 | 4,57 | 4,45 | 6,01 | 5,88 | 1 | 2 | 2,125 | 1,875 | 2,2 | 1,8 | 1,31 | 1,26 | 0,1 | 5,50 | 5,32 | 5,20 |
| M3,5 | 0,6 | 13 | 19 | 32 | 0,40 | 0,15 | 4,1 | 3,50 | 3,32 | 3,20 | 5,07 | 4,95 | 6,58 | 6,44 | 1 | 2,4 | 2,525 | 2,275 | 2,6 | 2,2 | 1,59 | 1,54 | 0,1 | 6,00 | 5,82 | 5,70 |
| M4 | 0,7 | 14 | 20 | 33 | 0,40 | 0,15 | 4,7 | 4,00 | 3,82 | 3,70 | 5,88 | 5,74 | 7,66 | 7,50 | 1,2 | 2,8 | 2,925 | 2,675 | 3,0 | 2,6 | 1,87 | 1,82 | 0,2 | 7,00 | 6,78 | 6,64 |
| M5 | 0,8 | 16 | 22 | 35 | 0,50 | 0,15 | 5,7 | 5,00 | 4,82 | 4,70 | 6,88 | 6,74 | 8,79 | 8,63 | 1,2 | 3,5 | 3,65 | 3,35 | 3,74 | 3,26 | 2,35 | 2,28 | 0,2 | 8,00 | 7,78 | 7,64 |
| M6 | 1 | 18 | 24 | 37 | 0,50 | 0,15 | 6,8 | 6,00 | 5,82 | 5,70 | 8,88 | 8,74 | 11,05 | 10,89 | 1,4 | 4 | 4,15 | 3,85 | 4,24 | 3,76 | 2,70 | 2,63 | 0,25 | 10,00 | 9,78 | 9,64 |
| M8 | 1,25 | 22 | 28 | 41 | 0,60 | 0,15 | 9,2 | 8,00 | 7,78 | 7,64 | 11,63 | 11,47 | 14,38 | 14,20 | 2 | 5,3 | 5,45 | 5,15 | 5,54 | 5,06 | 3,61 | 3,54 | 0,4 | 13,00 | 12,73 | 12,57 |
| M10 | 1,5 | 26 | 32 | 45 | 0,60 | 0,15 | 11,2 | 10,00 | 9,78 | 9,64 | 14,63 | 14,47 | 17,77 | 17,59 | 2 | 6,4 | 6,58 | 6,22 | 6,69 | 6,11 | 4,35 | 4,28 | 0,4 | 16,00 | 15,73 | 15,57 |
| M12 | 1,75 | 30 | 36 | 49 | 0,60 | 0,15 | 13,7 | 12,00 | 11,73 | 11,57 | 16,63 | 16,47 | 20,03 | 19,85 | 3 | 7,5 | 7,68 | 7,32 | 7,79 | 7,21 | 5,12 | 5,05 | 0,6 | 18,00 | 17,73 | 17,57 |
| M14 | 2 | 34 | 40 | 53 | 0,60 | 0,15 | 15,7 | 14,00 | 13,73 | 13,57 | 19,64 | 19,15 | 23,36 | 22,78 | 3 | 8,8 | 8,98 | 8,62 | 9,09 | 8,51 | 6,03 | 5,96 | 0,6 | 21,00 | 20,67 | 20,16 |
| M16 | 2 | 38 | 44 | 57 | 0,8 | 0,2 | 17,7 | 16,00 | 15,73 | 15,57 | 22,49 | 22 | 26,75 | 26,17 | 3 | 10 | 10,18 | 9,82 | 10,29 | 9,71 | 6,87 | 6,8 | 0,6 | 24,00 | 23,67 | 23,16 |
| M18 | 2,5 | 42 | 48 | 61 | 0,8 | 0,2 | 20,2 | 18,00 | 17,73 | 17,57 | 25,34 | 24,85 | 30,14 | 29,56 | 3 | 11,5 | 11,715 | 11,285 | 11,85 | 11,15 | 7,9 | 7,81 | 0,6 | 27,00 | 26,67 | 26,16 |
| M20 | 2,5 | 46 | 52 | 65 | 0,8 | 0,2 | 22,4 | 20,00 | 19,67 | 19,48 | 28,19 | 27,7 | 33,53 | 32,95 | 4 | 12,5 | 12,715 | 12,285 | 12,85 | 12,15 | 8,6 | 8,51 | 0,8 | 30,00 | 29,67 | 29,16 |
| M22 | 2,5 | 50 | 56 | 69 | 0,8 | 0,2 | 24,4 | 22,0 | 21,67 | 21,48 | 31,71 | 31,35 | 37,72 | 37,29 | 4 | 14 | 14,215 | 13,785 | 14,35 | 13,65 | 9,65 | 9,56 | 0,8 | 34,00 | 33,38 | 33,00 |
| M24 | 3 | 54 | 60 | 73 | 0,8 | 0,2 | 26,4 | 24,00 | 23,67 | 23,48 | 33,61 | 33,25 | 39,98 | 39,55 | 4 | 15 | 15,215 | 14,785 | 15,35 | 14,65 | 10,35 | 10,26 | 0,8 | 36,00 | 35,38 | 35,00 |
| M27 | 3 | 60 | 66 | 79 | 0,8 | 0,2 | 30,4 | 27,00 | — | 26,48 | — | 38 | — | 45,2 | 6 | 17 | — | — | 17,35 | 13,65 | — | 11,66 | 1 | 41 | — | 40 |
| M30 | 3,5 | 66 | 72 | 85 | 0,8 | 0,2 | 33,4 | 30,00 | — | 29,48 | — | 42,75 | — | 50,85 | 6 | 18,7 | — | — | 19,12 | 18,28 | — | 12,8 | 1 | 46 | — | 45 |
| M33 | 3,5 | — | 78 | 91 | 0,8 | 0,2 | 36,4 | 33,00 | — | 32,38 | — | 46,55 | — | 55,37 | 6 | 21 | — | — | 21,42 | 20,58 | — | 14,41 | 1 | 50 | — | 49 |
| M36 | 4 | — | 84 | 97 | 0,8 | 0,2 | 39,4 | 36,00 | — | 35,38 | — | 51,11 | — | 60,79 | 6 | 22,5 | — | — | 22,92 | 22,08 | — | 15,46 | 1 | 55,0 | — | 53,8 |
| M39 | 4 | — | 90 | 103 | 1,0 | 0,3 | 42,4 | 39,00 | — | 38,38 | — | 55,86 | — | 66,44 | 6 | 25 | — | — | 25,42 | 24,58 | — | 17,21 | 1 | 60,0 | — | 58,8 |
| M42 | 4,5 | — | 96 | 109 | 1,0 | 0,3 | 45,6 | 42,00 | — | 41,38 | — | 59,95 | — | 71,3 | 8 | 26 | — | — | 26,42 | 25,58 | — | 17,91 | 1,2 | 65,0 | — | 63,1 |
| M45 | 4,5 | — | 102 | 115 | 1,0 | 0,3 | 48,6 | 45,00 | — | 44,38 | — | 64,7 | — | 76,95 | 8 | 28 | — | — | 28,42 | 27,58 | — | 19,31 | 1,2 | 70,0 | — | 68,1 |
| M48 | 5 | — | 108 | 121 | 1,0 | 0,3 | 52,6 | 48,00 | — | 47,38 | — | 69,45 | — | 82,6 | 10 | 30 | — | — | 30,42 | 29,58 | — | 20,71 | 1,6 | 75,0 | — | 73,1 |
| M52 | 5 | — | 116 | 129 | 1,0 | 0,3 | 56,6 | 52,00 | — | 51,26 | — | 74,2 | — | 88,25 | 10 | 33 | — | — | 33,5 | 32,5 | — | 22,75 | 1,6 | 80,0 | — | 78,1 |
| Thread, d nom. |
l | |||
|---|---|---|---|---|
| Product grade | ||||
| A min. |
A max. |
B min. |
B max. |
|
| 12 | 11,65 | 12,35 | - | - |
| 16 | 15,65 | 16,35 | - | - |
| 20 | 19,58 | 20,42 | 18,95 | 21,05 |
| 25 | 24,58 | 25,42 | 23,95 | 26,05 |
| 30 | 29,58 | 30,42 | 28,95 | 31,05 |
| 35 | 34,5 | 35,5 | 33,75 | 36,25 |
| 40 | 39,5 | 40,5 | 38,75 | 41,25 |
| 45 | 44,5 | 45,5 | 43,75 | 46,25 |
| 50 | 49,5 | 50,5 | 48,75 | 51,25 |
| 55 | 54,4 | 55,6 | 53,5 | 56,5 |
| 60 | 59,4 | 60,6 | 58,5 | 61,5 |
| 65 | 64,4 | 65,6 | 63,5 | 66,5 |
| 70 | 69,4 | 70,6 | 68,5 | 71,5 |
| 80 | 79,4 | 80,6 | 78,5 | 81,5 |
| 90 | 89,3 | 90,7 | 88,25 | 91,75 |
| 100 | 99,3 | 100,7 | 98,25 | 101,75 |
| 110 | 109,3 | 110,7 | 108,25 | 111,75 |
| 120 | 119,3 | 120,7 | 118,25 | 121,75 |
| 130 | 129,2 | 130,8 | 128 | 132 |
| 140 | 139,2 | 140,8 | 138 | 142 |
| 150 | 149,2 | 150,8 | 148 | 152 |
| 160 | — | — | 158 | 162 |
| 180 | — | — | 178 | 182 |
| 200 | — | — | 197,7 | 202,3 |
| 220 | — | — | 217,7 | 222,3 |
| 240 | — | — | 237,7 | 242,3 |
| 260 | — | — | 257,4 | 262,6 |
| 280 | — | — | 277,4 | 282,6 |
| 300 | — | — | 297,4 | 302,6 |
| 320 | — | — | 317,15 | 322,85 |
| 340 | — | — | 337,15 | 342,85 |
| 360 | — | — | 357,15 | 362,85 |
| 380 | — | — | 377,15 | 382,85 |
| 400 | — | — | 397,15 | 402,85 |
| 420 | — | — | 416,85 | 423,15 |
| 440 | — | — | 436,85 | 443,15 |
| 460 | — | — | 456,85 | 463,15 |
| 480 | — | — | 476,85 | 483,15 |
| 500 | — | — | 496,85 | 503,15 |