ASME B18.15 Standard is limited to dimensions and capacities for carbon steel and corrosion-resistant stainless steel, forged threaded eyebolts intended primarily for lifting applications . For carbon steel construction, the sizes are limited to 1 ⁄4 in . through 2 1 ⁄2 in . , and for corrosion-resistant stainless steel construction, the sizes are limited to 1 ⁄4 in. through 1 1 ⁄2 in. This Standard covers the following types and styles:
| Nominal Size | Major Thread Dia., A (mm) | Shank Length, B (mm) | Eye I.D., C (mm) | Nominal Eye O.D., D (mm) | Eye Sect. Dia., E (mm) | Overall Length, F (mm) | Min. Length Full Thread, G (mm) | Thread Size UNC 2A, H | |||
|---|---|---|---|---|---|---|---|---|---|---|---|
| Style A | Style B | Style A | Style B | ||||||||
| 1/4 | 0.25 | 6.35 | 25.40 | 25.40 | 17.53 | 30.23 | 4.83 | 52.32 | 19.05 | 19.05 | 1/4-20 or 0.250-20 |
| 7.11 | 26.92 | 26.92 | 20.57 | 6.35 | 60.45 | ||||||
| 5/16 | 0.31 | 7.87 | 28.45 | 26.92 | 20.57 | 36.58 | 6.35 | 61.98 | 20.57 | 19.05 | 5/16-18 or 0.3125-18 |
| 8.64 | 30.23 | 28.70 | 23.88 | 7.87 | 69.85 | ||||||
| 3/8 | 0.38 | 9.65 | 31.75 | 28.45 | 23.88 | 42.93 | 7.87 | 71.37 | 22.35 | 19.05 | 3/8-16 or 0.375-16 |
| 10.41 | 35.05 | 31.75 | 26.92 | 9.65 | 81.03 | ||||||
| 7/16 | 0.44 | 11.18 | 35.05 | 28.70 | 25.40 | 45.97 | 8.64 | 77.72 | 25.40 | 19.05 | 7/16-14 or 0.4375-14 |
| 11.94 | 38.10 | 31.75 | 28.45 | 10.41 | 87.38 | ||||||
| 1/2 | 0.50 | 12.70 | 38.10 | 28.70 | 28.45 | 53.85 | 11.18 | 88.90 | 28.45 | 19.05 | 1/2-13 or 0.500-13 |
| 13.46 | 41.15 | 31.75 | 31.75 | 12.70 | 98.55 | ||||||
| 9/16 | 0.56 | 14.22 | 41.15 | 30.73 | 30.23 | 57.15 | 11.94 | 95.25 | 31.75 | 21.34 | 9/16-12 or 0.5625-12 |
| 14.99 | 44.45 | 34.04 | 33.27 | 13.46 | 104.65 | ||||||
| 5/8 | 0.62 | 15.75 | 44.45 | 33.27 | 33.27 | 65.02 | 14.22 | 106.43 | 35.05 | 23.88 | 5/8-11 or 0.625-11 |
| 16.76 | 47.75 | 36.58 | 36.58 | 15.75 | 115.82 | ||||||
| 3/4 | 0.75 | 19.05 | 50.80 | 38.10 | 36.58 | 71.37 | 15.75 | 119.13 | 41.15 | 28.70 | 3/4-10 or 0.750-10 |
| 19.81 | 53.85 | 41.15 | 39.62 | 17.53 | 128.52 | ||||||
| 7/8 | 0.88 | 22.35 | 57.15 | 44.45 | 39.62 | 81.03 | 19.05 | 134.87 | 45.97 | 33.27 | 7/8-9 or 0.875-9 |
| 23.11 | 60.45 | 47.75 | 42.93 | 20.57 | 144.53 | ||||||
| 1 | 1.00 | 25.40 | 63.50 | 49.28 | 42.93 | 90.42 | 22.35 | 150.88 | 52.32 | 38.10 | 1-8 or 1.000-8 |
| 26.92 | 66.55 | 52.32 | 45.97 | 23.88 | 160.27 | ||||||
| 1 1/8 | 1.12 | 28.45 | 69.85 | 54.10 | 49.28 | 103.12 | 25.40 | 169.93 | 58.67 | 42.93 | 1 1/8-7 or 1.125-7 |
| 30.23 | 73.15 | 57.40 | 52.32 | 26.92 | 179.32 | ||||||
| 1 1/4 | 1.25 | 31.75 | 76.20 | 60.45 | 53.85 | 112.78 | 27.69 | 185.67 | 63.50 | 47.75 | 1 1/4-7 or 1.250-7 |
| 34.04 | 79.25 | 63.50 | 57.15 | 29.46 | 195.33 | ||||||
| 1 1/2 | 1.50 | 38.10 | 88.90 | 69.85 | 61.98 | 131.83 | 33.27 | 217.42 | 76.20 | 57.15 | 1 1/2-6 or 1.500-6 |
| 40.39 | 91.95 | 72.90 | 65.02 | 35.05 | 227.08 | ||||||
| 1 3/4 | 1.75 | 44.45 | 95.25 | 80.77 | 69.85 | 152.40 | 38.10 | 241.30 | 81.03 | 66.55 | 1 3/4-5 or 1.750-5 |
| 46.74 | 98.55 | 84.07 | 76.20 | 41.15 | 257.05 | ||||||
| 2 | 2.00 | 50.80 | 101.60 | 91.95 | 77.72 | 174.75 | 44.45 | 268.22 | 85.85 | 76.20 | 2-4 1/2 or 2.000-4.50 |
| 53.09 | 107.95 | 98.30 | 87.38 | 47.75 | 290.58 | ||||||
| 2 1/2 | 2.50 | 63.50 | 127.00 | 114.30 | 96.77 | 215.90 | 55.63 | 335.03 | 107.95 | 95.25 | 2 1/2-4 or 2.500-4 |
| 66.55 | 133.35 | 120.65 | 106.43 | 58.67 | 357.12 | ||||||
| Nominal Size | Major Thread Dia., A | Shank Length, B | Eye I.D., C | Nominal Eye O.D., D | Eye Sect. Dia., E | Overall Length, F | Min. Length Full Thread, G | Thread Size UNC 2A, H | |||
|---|---|---|---|---|---|---|---|---|---|---|---|
| Style A | Style B | Style A | Style B | ||||||||
| 1/4 | 0.25 | 0.25 | 1.00 | 1.00 | 0.69 | 1.19 | 0.19 | 2.06 | 0.75 | 0.75 | 1/4-20 or 0.250-20 |
| 0.28 | 1.06 | 1.06 | 0.81 | 0.25 | 2.38 | ||||||
| 5/16 | 0.31 | 0.31 | 1.12 | 1.06 | 0.81 | 1.44 | 0.25 | 2.44 | 0.81 | 0.75 | 5/16-18 or 0.3125-18 |
| 0.34 | 1.19 | 1.13 | 0.94 | 0.31 | 2.75 | ||||||
| 3/8 | 0.38 | 0.38 | 1.25 | 1.12 | 0.94 | 1.69 | 0.31 | 2.81 | 0.88 | 0.75 | 3/8-16 or 0.375-16 |
| 0.41 | 1.38 | 1.25 | 1.06 | 0.38 | 3.19 | ||||||
| 7/16 | 0.44 | 0.44 | 1.38 | 1.13 | 1.00 | 1.81 | 0.34 | 3.06 | 1.00 | 0.75 | 7/16-14 or 0.4375-14 |
| 0.47 | 1.50 | 1.25 | 1.12 | 0.41 | 3.44 | ||||||
| 1/2 | 0.50 | 0.50 | 1.50 | 1.13 | 1.12 | 2.12 | 0.44 | 3.50 | 1.12 | 0.75 | 1/2-13 or 0.500-13 |
| 0.53 | 1.62 | 1.25 | 1.25 | 0.50 | 3.88 | ||||||
| 9/16 | 0.56 | 0.56 | 1.62 | 1.21 | 1.19 | 2.25 | 0.47 | 3.75 | 1.25 | 0.84 | 9/16-12 or 0.5625-12 |
| 0.59 | 1.75 | 1.34 | 1.31 | 0.53 | 4.12 | ||||||
| 5/8 | 0.62 | 0.62 | 1.75 | 1.31 | 1.31 | 2.56 | 0.56 | 4.19 | 1.38 | 0.94 | 5/8-11 or 0.625-11 |
| 0.66 | 1.88 | 1.44 | 1.44 | 0.62 | 4.56 | ||||||
| 3/4 | 0.75 | 0.75 | 2.00 | 1.50 | 1.44 | 2.81 | 0.62 | 4.69 | 1.62 | 1.13 | 3/4-10 or 0.750-10 |
| 0.78 | 2.12 | 1.62 | 1.56 | 0.69 | 5.06 | ||||||
| 7/8 | 0.88 | 0.88 | 2.25 | 1.75 | 1.56 | 3.19 | 0.75 | 5.31 | 1.81 | 1.31 | 7/8-9 or 0.875-9 |
| 0.91 | 2.38 | 1.88 | 1.69 | 0.81 | 5.69 | ||||||
| 1 | 1.00 | 1.00 | 2.50 | 1.94 | 1.69 | 3.56 | 0.88 | 5.94 | 2.06 | 1.50 | 1-8 or 1.000-8 |
| 1.06 | 2.62 | 2.06 | 1.81 | 0.94 | 6.31 | ||||||
| 1 1/8 | 1.12 | 1.12 | 2.75 | 2.13 | 1.94 | 4.06 | 1.00 | 6.69 | 2.31 | 1.69 | 1 1/8-7 or 1.125-7 |
| 1.19 | 2.88 | 2.26 | 2.06 | 1.06 | 7.06 | ||||||
| 1 1/4 | 1.25 | 1.25 | 3.00 | 2.38 | 2.12 | 4.44 | 1.09 | 7.31 | 2.50 | 1.88 | 1 1/4-7 or 1.250-7 |
| 1.34 | 3.12 | 2.50 | 2.25 | 1.16 | 7.69 | ||||||
| 1 1/2 | 1.50 | 1.50 | 3.50 | 2.75 | 2.44 | 5.19 | 1.31 | 8.56 | 3.00 | 2.25 | 1 1/2-6 or 1.500-6 |
| 1.59 | 3.62 | 2.87 | 2.56 | 1.38 | 8.94 | ||||||
| 1 3/4 | 1.75 | 1.75 | 3.75 | 3.18 | 2.75 | 6.00 | 1.50 | 9.50 | 3.19 | 2.62 | 1 3/4-5 or 1.750-5 |
| 1.84 | 3.88 | 3.31 | 3.00 | 1.62 | 10.12 | ||||||
| 2 | 2.00 | 2.00 | 4.00 | 3.62 | 3.06 | 6.88 | 1.75 | 10.56 | 3.38 | 3.00 | 2-4 1/2 or 2.000-4.50 |
| 2.09 | 4.25 | 3.87 | 3.44 | 1.88 | 11.44 | ||||||
| 2 1/2 | 2.50 | 2.50 | 5.00 | 4.50 | 3.81 | 8.50 | 2.19 | 13.19 | 4.25 | 3.75 | 2 1/2-4 or 2.500-4 |
| 2.62 | 5.25 | 4.75 | 4.19 | 2.31 | 14.06 | ||||||
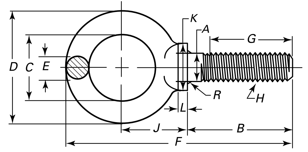
| Nominal Size | Major Thread Dia., A (mm) | Shank Length, B (mm) | Eye I.D., C (mm) | Nominal Eye O.D., D (mm) | Eye Sect. Dia., E (mm) | Overall Length, F (mm) | Min. Length Full Thread, G (mm) | Thread Size UNC 2A, H | Centerline Eye to Shoulder, J (mm) | Shoulder Dia., K (mm) | Shoulder Height, L (mm) | Radius Under Shoulder, R (mm) | |||
|---|---|---|---|---|---|---|---|---|---|---|---|---|---|---|---|
| Style A | Style B | Style A | Style B | ||||||||||||
| 1/4 | 0.25 | 6.35 | 25.40 | 25.40 | 17.53 | 30.23 | 4.83 | 56.39 | 19.05 | 19.05 | 1/4-20 or 0.250-20 | 17.53 | 12.70 | 3.05 | 0.38 |
| 7.11 | 26.92 | 26.92 | 20.57 | 6.35 | 64.26 | 20.57 | 14.22 | 4.83 | 0.64 | ||||||
| 5/16 | 0.31 | 7.87 | 28.45 | 26.92 | 20.57 | 36.58 | 6.35 | 67.56 | 20.57 | 19.05 | 5/16-18 or 0.3125-18 | 22.35 | 14.22 | 3.05 | 0.38 |
| 8.64 | 30.23 | 28.70 | 23.88 | 7.87 | 75.44 | 25.40 | 15.75 | 4.83 | 0.64 | ||||||
| 3/8 | 0.38 | 9.65 | 31.75 | 28.45 | 23.88 | 42.93 | 7.87 | 78.49 | 22.35 | 19.05 | 3/8-16 or 0.375-16 | 26.92 | 15.75 | 3.05 | 0.38 |
| 10.41 | 35.05 | 31.75 | 26.92 | 9.65 | 88.14 | 30.23 | 17.53 | 4.83 | 0.64 | ||||||
| 7/16 | 0.44 | 11.18 | 35.05 | 28.70 | 25.40 | 45.97 | 8.64 | 86.61 | 25.40 | 19.05 | 7/16-14 or 0.4375-14 | 30.23 | 19.05 | 4.83 | 0.38 |
| 11.94 | 38.10 | 31.75 | 28.45 | 10.41 | 96.01 | 33.27 | 20.57 | 6.35 | 0.64 | ||||||
| 1/2 | 0.50 | 12.70 | 38.10 | 28.70 | 28.45 | 53.85 | 11.18 | 96.77 | 28.45 | 19.05 | 1/2-13 or 0.500-13 | 33.27 | 22.35 | 4.83 | 0.38 |
| 13.46 | 41.15 | 31.75 | 31.75 | 12.70 | 106.43 | 36.58 | 23.88 | 6.35 | 0.64 | ||||||
| 9/16 | 0.56 | 14.22 | 41.15 | 30.73 | 30.23 | 57.15 | 11.94 | 106.43 | 31.75 | 21.34 | 9/16-12 or 0.5625-12 | 38.10 | 23.88 | 5.59 | 0.51 |
| 14.99 | 44.45 | 34.04 | 33.27 | 13.46 | 115.82 | 41.15 | 25.40 | 7.11 | 1.14 | ||||||
| 5/8 | 0.62 | 15.75 | 44.45 | 33.27 | 33.27 | 65.02 | 14.22 | 115.82 | 35.05 | 23.88 | 5/8-11 or 0.625-11 | 40.39 | 25.40 | 6.35 | 0.51 |
| 16.76 | 47.75 | 36.58 | 36.58 | 15.75 | 125.48 | 43.69 | 26.92 | 7.87 | 1.14 | ||||||
| 3/4 | 0.75 | 19.05 | 50.80 | 38.10 | 36.58 | 71.37 | 15.75 | 128.52 | 41.15 | 28.45 | 3/4-10 or 0.750-10 | 43.69 | 28.45 | 6.35 | 0.51 |
| 19.81 | 53.85 | 41.15 | 39.62 | 17.53 | 139.70 | 48.51 | 31.75 | 7.87 | 1.14 | ||||||
| 7/8 | 0.88 | 22.35 | 57.15 | 44.45 | 39.62 | 81.03 | 19.05 | 146.05 | 45.97 | 33.27 | 7/8-9 or 0.875-9 | 51.56 | 33.27 | 7.87 | 1.02 |
| 23.11 | 60.45 | 47.75 | 42.93 | 20.57 | 157.23 | 56.39 | 36.58 | 9.65 | 1.65 | ||||||
| 1 | 1.00 | 25.40 | 63.50 | 49.28 | 42.93 | 90.42 | 22.35 | 163.58 | 52.32 | 38.10 | 1-8 or 1.000-8 | 56.39 | 38.10 | 9.65 | 1.52 |
| 26.92 | 66.55 | 52.32 | 45.97 | 23.88 | 174.75 | 61.21 | 41.15 | 11.18 | 2.41 | ||||||
| 1 1/8 | 1.12 | 28.45 | 69.85 | 54.10 | 49.28 | 103.12 | 25.40 | 185.67 | 58.67 | 42.93 | 1 1/8-7 or 1.125-7 | 65.79 | 42.93 | 11.18 | 1.52 |
| 30.23 | 73.15 | 57.40 | 52.32 | 26.92 | 196.85 | 70.61 | 45.97 | 12.70 | 2.41 | ||||||
| 1 1/4 | 1.25 | 31.75 | 76.20 | 60.45 | 53.85 | 112.78 | 27.69 | 203.20 | 63.50 | 47.75 | 1 1/4-7 or 1.250-7 | 72.14 | 47.75 | 12.70 | 1.52 |
| 34.04 | 79.25 | 63.50 | 57.15 | 29.46 | 214.38 | 76.96 | 50.80 | 14.22 | 2.41 | ||||||
| 1 1/2 | 1.50 | 38.10 | 88.90 | 69.85 | 61.98 | 131.83 | 33.27 | 234.19 | 76.20 | 57.15 | 1 1/2-6 or 1.500-6 | 81.03 | 53.85 | 12.70 | 1.52 |
| 40.39 | 91.95 | 72.90 | 65.02 | 35.05 | 246.89 | 87.38 | 57.15 | 15.75 | 2.41 | ||||||
| 1 3/4 | 1.75 | 44.45 | 95.25 | 80.77 | 69.85 | 152.40 | 38.10 | 266.70 | 81.03 | 66.55 | 1 3/4-5 or 1.750-5 | 98.55 | 63.50 | 12.70 | 1.52 |
| 46.74 | 98.55 | 84.07 | 76.20 | 41.15 | 282.45 | 104.65 | 66.55 | 15.75 | 2.41 | ||||||
| 2 | 2.00 | 50.80 | 101.60 | 91.95 | 77.72 | 174.75 | 44.45 | 292.86 | 85.85 | 76.20 | 2-4 1/2 or 2.000-4.50 | 107.95 | 73.15 | 15.75 | 1.52 |
| 53.09 | 104.65 | 96.27 | 87.38 | 47.75 | 310.39 | 114.30 | 76.20 | 19.05 | 2.41 | ||||||
| Nominal Size | Major Thread Dia., A | Shank Length, B | Eye I.D., C | Nominal Eye O.D., D | Eye Sect. Dia., E | Overall Length, F | Min. Length Full Thread, G | Thread Size UNC 2A, H | Centerline Eye to Shoulder, J | Shoulder Dia., K | Shoulder Height, L | Radius Under Shoulder, R | |||
|---|---|---|---|---|---|---|---|---|---|---|---|---|---|---|---|
| Style A | Style B | Style A | Style B | ||||||||||||
| 1/4 | 0.25 | 0.25 | 1.00 | 1.00 | 0.69 | 1.19 | 0.19 | 2.22 | 0.75 | 0.75 | 1/4-20 or 0.250-20 | 0.69 | 0.50 | 0.12 | 0.015 |
| 0.28 | 1.06 | 1.06 | 0.81 | 0.25 | 2.53 | 0.81 | 0.56 | 0.19 | 0.025 | ||||||
| 5/16 | 0.31 | 0.31 | 1.12 | 1.06 | 0.81 | 1.44 | 0.25 | 2.66 | 0.81 | 0.75 | 5/16-18 or 0.3125-18 | 0.88 | 0.56 | 0.12 | 0.015 |
| 0.34 | 1.19 | 1.13 | 0.94 | 0.31 | 2.97 | 1.00 | 0.62 | 0.19 | 0.025 | ||||||
| 3/8 | 0.38 | 0.38 | 1.25 | 1.12 | 0.94 | 1.69 | 0.31 | 3.09 | 0.88 | 0.75 | 3/8-16 or 0.375-16 | 1.06 | 0.62 | 0.12 | 0.015 |
| 0.41 | 1.38 | 1.25 | 1.06 | 0.38 | 3.47 | 1.19 | 0.69 | 0.19 | 0.025 | ||||||
| 7/16 | 0.44 | 0.44 | 1.38 | 1.13 | 1.00 | 1.81 | 0.34 | 3.41 | 1.00 | 0.75 | 7/16-14 or 0.4375-14 | 1.19 | 0.75 | 0.19 | 0.015 |
| 0.47 | 1.50 | 1.25 | 1.12 | 0.41 | 3.78 | 1.31 | 0.81 | 0.25 | 0.025 | ||||||
| 1/2 | 0.50 | 0.50 | 1.50 | 1.13 | 1.12 | 2.12 | 0.44 | 3.81 | 1.12 | 0.75 | 1/2-13 or 0.500-13 | 1.31 | 0.88 | 0.19 | 0.015 |
| 0.53 | 1.62 | 1.25 | 1.25 | 0.50 | 4.19 | 1.44 | 0.94 | 0.25 | 0.025 | ||||||
| 9/16 | 0.56 | 0.56 | 1.62 | 1.21 | 1.19 | 2.25 | 0.47 | 4.19 | 1.25 | 0.84 | 9/16-12 or 0.5625-12 | 1.50 | 0.94 | 0.22 | 0.020 |
| 0.59 | 1.75 | 1.34 | 1.31 | 0.53 | 4.56 | 1.62 | 1.00 | 0.28 | 0.045 | ||||||
| 5/8 | 0.62 | 0.62 | 1.75 | 1.31 | 1.31 | 2.56 | 0.56 | 4.56 | 1.38 | 0.94 | 5/8-11 or 0.625-11 | 1.59 | 1.00 | 0.25 | 0.020 |
| 0.66 | 1.88 | 1.44 | 1.44 | 0.62 | 4.94 | 1.72 | 1.06 | 0.31 | 0.045 | ||||||
| 3/4 | 0.75 | 0.75 | 2.00 | 1.50 | 1.44 | 2.81 | 0.62 | 5.06 | 1.62 | 1.12 | 3/4-10 or 0.750-10 | 1.72 | 1.12 | 0.25 | 0.020 |
| 0.78 | 2.12 | 1.62 | 1.56 | 0.69 | 5.50 | 1.91 | 1.25 | 0.31 | 0.045 | ||||||
| 7/8 | 0.88 | 0.88 | 2.25 | 1.75 | 1.56 | 3.19 | 0.75 | 5.75 | 1.81 | 1.31 | 7/8-9 or 0.875-9 | 2.03 | 1.31 | 0.31 | 0.040 |
| 0.91 | 2.38 | 1.88 | 1.69 | 0.81 | 6.19 | 2.22 | 1.44 | 0.38 | 0.065 | ||||||
| 1 | 1.00 | 1.00 | 2.50 | 1.94 | 1.69 | 3.56 | 0.88 | 6.44 | 2.06 | 1.50 | 1-8 or 1.000-8 | 2.22 | 1.50 | 0.38 | 0.060 |
| 1.06 | 2.62 | 2.06 | 1.81 | 0.94 | 6.88 | 2.41 | 1.62 | 0.44 | 0.095 | ||||||
| 1 1/8 | 1.12 | 1.12 | 2.75 | 2.13 | 1.94 | 4.06 | 1.00 | 7.31 | 2.31 | 1.69 | 1 1/8-7 or 1.125-7 | 2.59 | 1.69 | 0.44 | 0.060 |
| 1.19 | 2.88 | 2.26 | 2.06 | 1.06 | 7.75 | 2.78 | 1.81 | 0.50 | 0.095 | ||||||
| 1 1/4 | 1.25 | 1.25 | 3.00 | 2.38 | 2.12 | 4.44 | 1.09 | 8.00 | 2.50 | 1.88 | 1 1/4-7 or 1.250-7 | 2.84 | 1.88 | 0.50 | 0.060 |
| 1.34 | 3.12 | 2.50 | 2.25 | 1.16 | 8.44 | 3.03 | 2.00 | 0.56 | 0.095 | ||||||
| 1 1/2 | 1.50 | 1.50 | 3.50 | 2.75 | 2.44 | 5.19 | 1.31 | 9.22 | 3.00 | 2.25 | 1 1/2-6 or 1.500-6 | 3.19 | 2.12 | 0.50 | 0.060 |
| 1.59 | 3.62 | 2.87 | 2.56 | 1.38 | 9.72 | 3.44 | 2.25 | 0.62 | 0.095 | ||||||
| 1 3/4 | 1.75 | 1.75 | 3.75 | 3.18 | 2.75 | 6.00 | 1.50 | 10.50 | 3.19 | 2.62 | 1 3/4-5 or 1.750-5 | 3.88 | 2.50 | 0.50 | 0.060 |
| 1.84 | 3.88 | 3.31 | 3.00 | 1.62 | 11.12 | 4.12 | 2.62 | 0.62 | 0.095 | ||||||
| 2 | 2.00 | 2.00 | 4.00 | 3.62 | 3.06 | 6.88 | 1.75 | 11.53 | 3.38 | 3.00 | 2-4 1/2 or 2.000-4.50 | 4.25 | 2.88 | 0.62 | 0.060 |
| 2.09 | 4.12 | 3.79 | 3.44 | 1.88 | 12.22 | 4.50 | 3.00 | 0.75 | 0.095 | ||||||
| Nominal Size | Carbon, Alloy Steel, and Corrosion-Resistant Stainless Steel Rated Rigger's Capacity, kg | |||
|---|---|---|---|---|
| 0 deg | 30 deg | 60 deg | 90 deg | |
| 1/4 | 181.44 | 31.75 | NR | NR |
| 5/16 | 308.44 | 90.72 | NR | NR |
| 3/8 | 453.59 | 170.10 | 90.72 | 70.31 |
| 7/16 | 625.96 | 226.80 | 136.08 | 106.59 |
| 1/2 | 834.61 | 365.14 | 213.19 | 179.17 |
| 5/8 | 1075.01 | 501.22 | 288.03 | 235.87 |
| 3/4 | 1333.56 | 607.81 | 365.14 | 303.91 |
| 7/8 | 1968.59 | 959.35 | 539.77 | 471.74 |
| 1 | 2721.55 | 1276.82 | 789.25 | 669.05 |
| 1 1/8 | 3574.31 | 1664.68 | 1084.09 | 957.08 |
| 1 1/4 | 4499.63 | 2113.74 | 1365.31 | 1183.88 |
| 1 3/8 | 5715.26 | 2674.38 | 1701.88 | 1519.53 |
| 1 1/2 | 8282.59 | 3889.55 | 2492.49 | 2249.82 |
| 1 3/4 | 11203.72 | 5227.20 | 3401.94 | 3039.07 |
| 2 | 14741.74 | 6899.13 | 4497.36 | 4027.90 |
| 2 1/2 | 23586.78 | 11113.00 | 7620.35 | 6350.29 |
| Nominal Size | Carbon, Alloy Steel, and Corrosion-Resistant Stainless Steel Rated Rigger's Capacity, lb | |||
|---|---|---|---|---|
| 0 deg | 30 deg | 60 deg | 90 deg | |
| 1/4 | 400 | 70 | NR | NR |
| 5/16 | 680 | 200 | NR | NR |
| 3/8 | 1,000 | 375 | 200 | 155 |
| 7/16 | 1,380 | 500 | 300 | 235 |
| 1/2 | 1,840 | 805 | 470 | 395 |
| 5/8 | 2,370 | 1,105 | 635 | 520 |
| 3/4 | 2,940 | 1,340 | 805 | 670 |
| 7/8 | 4,340 | 2,115 | 1,190 | 1,040 |
| 1 | 6,000 | 2,815 | 1,740 | 1,475 |
| 1 1/8 | 7,880 | 3,670 | 2,390 | 2,110 |
| 1 1/4 | 9,920 | 4,660 | 3,010 | 2,610 |
| 1 3/8 | 12,600 | 5,896 | 3,752 | 3,350 |
| 1 1/2 | 18,260 | 8,575 | 5,495 | 4,960 |
| 1 3/4 | 24,700 | 11,524 | 7,500 | 6,700 |
| 2 | 32,500 | 15,210 | 9,915 | 8,880 |
| 2 1/2 | 52,000 | 24,500 | 16,800 | 14,000 |
| Nominal Size | Carbon, Alloy Steel, and Corrosion-Resistant Stainless Steel Rated Rigger's Capacity (kg) | |||
|---|---|---|---|---|
| 0 deg | 30 deg | 60 deg | 90 deg | |
| 1/4 | 181.44 | 34.02 | NR | NR |
| 5/16 | 308.44 | 95.25 | NR | NR |
| 3/8 | 453.59 | 181.44 | 99.79 | 81.65 |
| 7/16 | 625.96 | 240.40 | 149.69 | 117.93 |
| 1/2 | 834.61 | 385.55 | 235.87 | 199.58 |
| 5/8 | 1075.01 | 526.17 | 317.51 | 258.55 |
| 3/4 | 1333.56 | 639.56 | 403.70 | 335.66 |
| 7/8 | 1968.59 | 1011.51 | 594.21 | 517.09 |
| 1 | 2721.55 | 1342.63 | 866.36 | 739.35 |
| 1 1/8 | 3574.31 | 1746.33 | 1192.95 | 1052.33 |
| 1 1/4 | 4499.63 | 2172.71 | 1741.79 | 1537.68 |
| 1 3/8 | 5715.26 | 2812.27 | 1871.07 | 1673.75 |
| 1 1/2 | 8282.59 | 4086.86 | 2739.69 | 2476.61 |
| 1 3/4 | 11203.72 | 5488.46 | 3742.13 | 3342.97 |
| 2 | 14741.74 | 7243.86 | 4948.69 | 4417.99 |
| Nominal Size | Carbon, Alloy Steel, and Corrosion-Resistant Stainless Steel Rated Rigger's Capacity, lb | |||
|---|---|---|---|---|
| 0 deg | 30 deg | 60 deg | 90 deg | |
| 1/4 | 400 | 75 | NR | NR |
| 5/16 | 680 | 210 | NR | NR |
| 3/8 | 1,000 | 400 | 220 | 180 |
| 7/16 | 1,380 | 530 | 330 | 260 |
| 1/2 | 1,840 | 850 | 520 | 440 |
| 5/8 | 2,370 | 1,160 | 700 | 570 |
| 3/4 | 2,940 | 1,410 | 890 | 740 |
| 7/8 | 4,340 | 2,230 | 1,310 | 1,140 |
| 1 | 6,000 | 2,960 | 1,910 | 1,630 |
| 1 1/8 | 7,880 | 3,850 | 2,630 | 2,320 |
| 1 1/4 | 9,920 | 4,790 | 3,840 | 3,390 |
| 1 3/8 | 12,600 | 6,200 | 4,125 | 3,690 |
| 1 1/2 | 18,260 | 9,010 | 6,040 | 5,460 |
| 1 3/4 | 24,700 | 12,100 | 8,250 | 7,370 |
| 2 | 32,500 | 15,970 | 10,910 | 9,740 |